郑州城市学院成教《数字电子技术》高起专原题及答案(青书学堂)

财星 发表于 2026-3-14 21:34:56|来自:上海 | 显示全部楼层 |阅读模式

郑州城市学院成教《数字电子技术》高起专原题及答案(青书学堂) 图1

郑州城市学院成教《数字电子技术》高起专原题及答案(青书学堂) 图1

1、输入A, B的波形如下图所示,F = A+B,分析当输出F =1的时刻应是(   )。
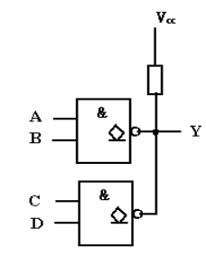
A.t1
B.t2
C.t3
答案:B

2、4个触发器构成的扭环形计数器有(    )个计数状态。
A.4
B.8
C.12
D.16
答案:B

3、有一个4位右移移位寄存器,当预先置入Q₃Q₂Q₁Q₀=1011后,其右移串行数据输入端固定接1,在3个移位脉冲CP的作用下,数据的移位过程是(     )。
A、1011→0111→1111→1111
B、1011→1101→1010→0101
C、1011→1101→1110→1111
D、1011→0111→1110→1101
答案:A

4、下图电路实现功能为( )。

郑州城市学院成教《数字电子技术》高起专原题及答案(青书学堂) 图2

郑州城市学院成教《数字电子技术》高起专原题及答案(青书学堂) 图2

A、单稳态触发器
B、施密特触发器
C、多谐振荡器
D、数据选择器
答案:B

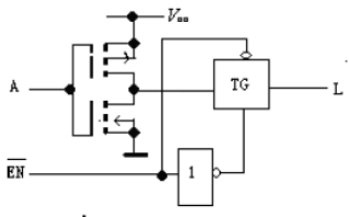
5、电路图如下,当

郑州城市学院成教《数字电子技术》高起专原题及答案(青书学堂) 图3

郑州城市学院成教《数字电子技术》高起专原题及答案(青书学堂) 图3
、A=1时,L=( )。

郑州城市学院成教《数字电子技术》高起专原题及答案(青书学堂) 图4

郑州城市学院成教《数字电子技术》高起专原题及答案(青书学堂) 图4

A、0
B、1
C、高阻态
D、输出状态
答案:A

6、8线-3线优先编码器CD4532,编码工作状态时输入为10101010,其对应输出为(     )。
A、000
B、010
C、100
D、110
答案:D


7、以下不是A/D转换的一般工作过程的是(    )。
A、滤波
B、采样
C、保持
D、编码
答案:A

8、已知

郑州城市学院成教《数字电子技术》高起专原题及答案(青书学堂) 图5

郑州城市学院成教《数字电子技术》高起专原题及答案(青书学堂) 图5
,则下列函数中与该函数不等价的是( )。

郑州城市学院成教《数字电子技术》高起专原题及答案(青书学堂) 图6

郑州城市学院成教《数字电子技术》高起专原题及答案(青书学堂) 图6

答案:B

9、引起组合逻辑电路中竞争与冒险的本质原因是(    )。
A、门电路延时
B、逻辑关系错误
C、含互补变量
D、干扰信号
答案:A

10、以下代码中,无权码的是(    )。
A、余三码
B、421BCD码
C、421BCD码
D、2421BCD码
答案:A

11、要构成容量为4K×16的RAM,需要多少片容量为512×4的RAM?(     )
A、2
B、4
C、8
D、32
答案:D

12、已知一个无符号10位数字输入DAC的工作电压范围是0~5V,则0100000000对应的输出电压约为( )V。
A、0.625
B、1.25
C、2.5
D、2.75
答案:B

13、设计一个8位二进制信息的存储电路,需要(    )个触发器。
A、2
B、3
C、4
D、8
答案:D

14、在A=1,B=0,C=0时,输出F为( )。

郑州城市学院成教《数字电子技术》高起专原题及答案(青书学堂) 图7

郑州城市学院成教《数字电子技术》高起专原题及答案(青书学堂) 图7

A、0
B、1
C、高阻
D、不定
答案:B

15、下图所示电路中,其输出逻辑函数表达式Y=( )。

郑州城市学院成教《数字电子技术》高起专原题及答案(青书学堂) 图15

郑州城市学院成教《数字电子技术》高起专原题及答案(青书学堂) 图15

郑州城市学院成教《数字电子技术》高起专原题及答案(青书学堂) 图16

郑州城市学院成教《数字电子技术》高起专原题及答案(青书学堂) 图16

答案:D

16、CD4532是高位优先、高电平有效的集成优先编码器,若正常接电源和地,且待编码信号输入端I₀=I₂ = I₆ = I₇ = 1,输入使能端EI=1,其余输入端为0,其输出Y₂Y₁Y₀为(     )。
A、111
B、010
C、110
D、000
答案:A

17、与函数F=

郑州城市学院成教《数字电子技术》高起专原题及答案(青书学堂) 图17

郑州城市学院成教《数字电子技术》高起专原题及答案(青书学堂) 图17
相等的函数是___________.

郑州城市学院成教《数字电子技术》高起专原题及答案(青书学堂) 图18

郑州城市学院成教《数字电子技术》高起专原题及答案(青书学堂) 图18

答案:A

18、D/A转换电路如图1-5所示。电路的输出电压υ0等于( )

郑州城市学院成教《数字电子技术》高起专原题及答案(青书学堂) 图19

郑州城市学院成教《数字电子技术》高起专原题及答案(青书学堂) 图19

A、4.5V
B、-4.5V
C、4.25V
D、-8.25V
答案:B

19、用卡诺图法化简函数F( )=∑m(0,2,3,4,6,11,12)+∑d(8,9,10,13,14,15)得最简与-或式________。
A、

郑州城市学院成教《数字电子技术》高起专原题及答案(青书学堂) 图20

郑州城市学院成教《数字电子技术》高起专原题及答案(青书学堂) 图20

B、4.25V
C、-8.25V
答案:C

20、某逻辑门的输入端A、B和输出端F的波形图1-7所示,F与A、B的逻辑关系是:
A、与非
B、同或
C、异或
D、或
答案:B

21、某触发器状态图如下,则该触发器为( )。

郑州城市学院成教《数字电子技术》高起专原题及答案(青书学堂) 图21

郑州城市学院成教《数字电子技术》高起专原题及答案(青书学堂) 图21

A、D触发器
B、JK触发器
C、T触发器
D、SR触发器
答案:C

22、数/模转换器的分辨率取决于 ( )。
A、输入的二进制数字信号的位数,位数越多分辨率越高
B、输出的模拟电压的大小,输出的模拟电压越高,分辨率越高
C、参考电压UR的大小,UR越大,分辨率越高
答案:A

23、某电路的状态表如下,Y₁=1输出端的“与”逻辑表达式是(     )。

郑州城市学院成教《数字电子技术》高起专原题及答案(青书学堂) 图22

郑州城市学院成教《数字电子技术》高起专原题及答案(青书学堂) 图22

答案:C

24、图示逻辑电路为( )。

郑州城市学院成教《数字电子技术》高起专原题及答案(青书学堂) 图23

郑州城市学院成教《数字电子技术》高起专原题及答案(青书学堂) 图23

A、“ 与非”门
B、“与”门
C、“或”门
答案:A

25、分析时序逻辑电路的状态表,可知它是一只 (     )计数器。
C`        `        `
00        0        0
10        0        1
20        1        1
31        1        0
41        1        1
50        0        0
A、5
B、8
C、6
答案:A

26、具有电可擦除的只读存储器是(   )
A、PROM
B、EPROM
C、E²PROM
答案:C

27、具有“置0"、“置1”、“保持”和“计数功能”的触发器是(    )触发器。
A、RS
B、D
C、JK
答案:C

28、要将8信号编成对应的二进制代码输出,这种编码器应有(    )根输入线。
A、8
B、3
C、1
答案:A

29、与十六进制数EDH等值的8位二进制数表示为(     )。
A、11001100B
B、11101101B
C、00101101B
答案:B

30、逻辑符号如图所示,他是一个( )逻辑电路。

郑州城市学院成教《数字电子技术》高起专原题及答案(青书学堂) 图30

郑州城市学院成教《数字电子技术》高起专原题及答案(青书学堂) 图30

A、同或
B、或非
C、异或
答案:A

31、NTSC制采用(    )间置,但在PAL制中采用(    )间置,并附加半场频偏置,以实现最佳的亮度和色度信号的频谱交错。(     )
A、1/4场频
B、1/2行频
C、1/2场频
D、1/4行频
答案:BD

32、互动电视主要特点有(    )。
A、突破电视传统,实现节目自主收看.
B、采取交互手段,实现播放进程控制。
C、跨越媒体平台,实现交互信息服务
D、多种操作方式,实现用户不内容互动
答案:ABCD

33、光纤有线电视系统采用的复用方式有(    )。
A、频分复用
B、波分复用
C、时分复用
D、空分复用
答案:ABCD

34、均衡器对低频衰减比对高频衰减(    )它与电缆的衰减特性(    )。
A、大
B、小
C、相同
D、相反
答案:AD

35、自会聚彩色显像管的行偏转线圈能产生(    ),场偏转线圈则产生(    )。
A、枕形分布磁场
B、均匀磁场
C、桶形分布磁场
D、以上都不对
答案:AC

36、对于引入VLAN的二层交换机,下列说法正确的是(    )。
A、任何一个帧都不能从自己所属的VLAN被转发到其他的VLAN中
B、每一个VLAN都是一个独立的广播域
C、每一个人都不能随意地从网络上的一点,毫无控制地直接访问另一点的网络或监听整个网络上的帧
D、VLAN隔离了广播域,但并没有隔离各个VLAN之间的任何流量
答案:ABC

37、我国在VHF波段内安排了(    )个标准电视频道,在UHF波段内安排了(     )个标准电视频道。(     )
A、68
B、12
C、56
D、42
答案:BC

38、PAL制彩色电视,图像中频为(    )MHz,伴音为中频为( )MHz,色度中频为(    )MHz。(     )
A、38
B、31.5
C、33.57
D、31.57
答案:ABC

39、我国规定图像中频(    ),第一伴音中频(    ),第二伴音中频(     )。( )
A、38MHz
B、31.5MHz
C、60MHz
D、6.5MHz
答案:ABD

40、彩色电视的传播方式(    )。
A、广播电视
B、卫星广播电视
C、有线电视
D、数字电视
答案:ABC

41、逻辑电路如图所示,试写出逻辑式,并化简之。

郑州城市学院成教《数字电子技术》高起专原题及答案(青书学堂) 图31

郑州城市学院成教《数字电子技术》高起专原题及答案(青书学堂) 图31


解:

郑州城市学院成教《数字电子技术》高起专原题及答案(青书学堂) 图32

郑州城市学院成教《数字电子技术》高起专原题及答案(青书学堂) 图32

郑州城市学院成教《数字电子技术》高起专原题及答案(青书学堂) 图33

郑州城市学院成教《数字电子技术》高起专原题及答案(青书学堂) 图33

回复

使用道具 举报

全部回复0 显示全部楼层
暂无回复,精彩从你开始!

快速回帖

您需要登录后才可以回帖 登录 | 立即注册

本版积分规则