郑州城市学院成教《机械制造技术基础》高起专原题及答案(青书学堂)

茉莉花蜜茶 发表于 2026-3-14 23:49:27|来自:上海 | 显示全部楼层 |阅读模式

郑州城市学院成教《机械制造技术基础》高起专原题及答案(青书学堂) 图1 ...

郑州城市学院成教《机械制造技术基础》高起专原题及答案(青书学堂) 图1 ...


1、应用一对交错轴斜齿圆柱齿轮副啮合原理,使用齿轮滚刀进行切齿的一种加工方法是 ( )
A、滾齿
B、插齿
C、剃齿
D、磨齿
答案:A

2、国际上就已经提出绿色制造概念的时间是(    )
A、20世纪60年代
B、20世纪70年代
C、20世纪80年代
D、20世纪90年代
答案:D

3、通过对工件进行多次重复试切、测量及调整,使加工尺寸达到规定要求的方法称为 ( )
A、试切法
B、调整法
C、定尺寸刀具法
D、自动控制法
答案:A

4、为了避免产生过大的拉削力而使拉刀断裂,拉刀工作时,同时工作刀齿数一般不应 ( )
A、超过3~4个
B、少于3~4个
C、超过6~8个
D、少于6~8个
答案:C

5、普通砂轮常用的磨料绿碳化硅代号为(    )
A、A
B、WA
C、C
D、GC
答案:D

6、切削铸铁和以较小的切削厚度、较低的切削速度切削塑性材料时,刀具磨损的主要形态 ( )
A、前刀面磨损
B、后刀面磨损
C、月牙洼磨损
D、边界磨损
答案:B

7、物体在空间具有的转动自由度个数为(    )
A、三个
B、四个
C、五个
D、六个
答案:A

8、在加工中用作定位的基准,称为(    )
A、工序基准
B、定位基准
C、测量基准
D、装配基准
答案:B

9、制造公差小于0.03μm、表面粗糖度小于Ra0.005μm的加工称为( )
A、普通精度加工
B、精密加工
C、超精密加工
D、纳米加工
答案:D

10、适于在单件小批生产或新产品试制中应用的夹具是(    )
A、通用夹具
B、专用机床夹具
C、组合夹具
D、随行夹具
答案:C

11、关于装配工艺系统图,下列说法正确的是(    )
A、装配工作由基准件开始沿水平线自右向左进行,一般将零件画在下方,套件、组件、部件画在上方,其排列次序就是装配工作的先后次序。
B、装配工作由基准件开始沿水平线自右向左进行,一般将零件画在上方,套件、组件、部件画在下方,其排列次序就是装配工作的先后次序。
C、装配工作由基准件开始沿水平线自左向右进行,一般将零件画在下方,套件、组件、部件画在上方,其排列次序就是装配工作的先后次序。
D、装配工作由基准件开始沿水平线自左向右进行,一般将零件画在上方,套件、组件、部件画在下方,其排列次序就是装配工作的先后次序。
答案:D

12、利用一对交错轴斜齿轮啮合时沿齿向存在相对滑动而创建的一种齿轮精加工方法是 ( )
A、滾齿
B、插齿
C、剃齿
D、磨齿
答案:C

13、标准麻花钻的螺旋角一般取为(    )
A、18°~ 25°
B、25°~ 32°
C、32°~ 38°
D、38°~ 45°
答案:B

14、普通砂轮常用的磨料黑碳化硅代号为(    )
A、A
B、WA
C、C
D、GC
答案:C

15、目前常用的测量切削温度的方法是(    )
A、辐射热计法
B、辐射计热法
C、热敏电阻法
D、热电偶法
答案:D

16、物体在空间具有的移动自由度个数为(    )
A、三个
B、四个
C、五个
D、六个
答案:A

17、在工序图上用来确定本工序加工表面尺寸、形状和位置所依据的基准,称为( )
A、工序基准
B、定位基准
C、测量基准
D、装配基准
答案:A

18、制造公差为3.0~0.3μm、表面粗糙度值为Ra0.30~0.03μm 的加工称为( )
A、普通精度加工
B、精密加工
C、超精密加工
D、纳米加工
答案:B

19、适用于多品种、中小批量生产的夹具是(    )
A、通用夹具
B、专用机床夹具
C、组合夹具
D、随行夹具
答案:A

20、利用刀具尺寸来保证工件被加工部位尺寸精度的方法称为(    )
A、试切法
B、调整法
C、定尺寸刀具法
D、自动控制法
答案:C

21、始终随工件一起按自动线生产流程移动的夹具是(    )
A、通用夹具
B、专用机床夹具
C、组合夹具
D、随行夹具
答案:D

22、钻孔是在实心材料上加工孔的第一道工序,钻孔直径一般(    )
A、大于40mm
B、小于40mm
C、大于80mm
D、小于80mm
答案:D

23、普通砂轮常用的磨料棕刚玉代号为(    )
A、A
B、WA
C、C
D、GC
答案:A

24、使刀具和工件间产生相对切削速度并消耗大部分切削动力的运动被称为 ( )
A、主运动
B、进给运动
C、前进运动
D、横向运动
答案:A

25、装配时用来确定零件或部件在产品中相对位置所依据的基准,称为(     )
A、工序基准
B、定位基准
C、测量基准
D、装配基准
答案:D

26、在同一工序内所完成的工作(    )
A、必须是相同的
B、必须是连续的
C、必须是不同的
D、必须是间断的
答案:B

27、绿色产品设计应尽可能保证所选资源在产品的整个生命周期中得到最大限度的利用,力争使资源的回收利用和投入比趋于( )
A、1
B、0.75
C、0.5
D、0
答案:A

28、夹具总图绘制比例除特殊情况外,一般均应(    )
A、按4:1绘制
B、按2:1绘制
C、按1:1绘制
D、按1:2绘制
答案:C

29、关于安排装配顺序的原则,下列说法正确的是(    )
A、先下后上,先内后外,先易后难,先一般后精密。
B、先下后上,先内后外,先难后易,先精密后一般。
C、先下后上,先外后内,先易后难,先一般后精密。
D、先下后上,先外后内,先难后易,先精密后一般。
答案:B

30、保证各主要表面达到零件图规定的加工质量要求的加工阶段称为 (     )
A、粗加工阶段
B、半精加工阶段
C、精加工阶段
D、光整加工阶段
答案:C

二、多选题
31、关于刀具几何参数后角,下列说法正确的是(    )
A、切削厚度(或进给量)较小时,宜取较小的后角。
B、进行粗加工、强力切削和承受冲击载荷的刀具,为保证切削刃强度,宜取较大后角。
C、工件材料硬度、强度较高时,宜取较小的后角。
D、对精度要求高的定尺寸刀具(例如铰刀),宜取较小的后角。
答案:CD

32、关于刚性自动化生产线,下列说法正确的是(    )
A、刚性自动化生产线严格按规定的生产节拍运行,生产率较低。
B、刚性自动化生产线物料流程短,没有半成品中间库存,生产占地面积小。
C、刚性自动化生产线一次性投资额小,系统调整周期短。
D、刚性自动化生产线适于在生产量大、产品相对固定的场合应用。
答案:BD

33、夹具的基本组成部分包括(    )
A、定位元件
B、夹紧装置
C、对刀元件
D、夹具体
答案:ABD

34、加工表面的几何形貌(表面结构)包括(    )
A、表面粗糙度
B、表面波纹度
C、表面纹理方向
D、表面缺陷
答案:ABCD

35、关于铰孔,下列说法正确的是(    )
A、为避免产生积屑瘤,铰孔通常采用较高的切削速度进行加工。
B、铰孔进给量的取值与被加工孔径有关,孔径越大,进给量取值越大。
C、铰孔时必须用适当的切削液进行冷却、润滑和清洗,以防止产生积屑瘤并及时清除切屑。
D、与磨孔和镗孔相比,铰孔生产率低,但容易保证孔的精度。
答案:BC

36、关于定位基准,下列说法正确的是(   )
A、组合夹具是机床夹具中标准化、系列化、通用化程度最高的一种夹具。
B、组合夹具适于在大批生产中加工那些位置精度要求较高的工件。
C、组合夹具常在新产品试制和完成临时突击任务中使用。
D、组合夹具体积较大,刚性较差,购置元件和合件一次性投资大。
答案:ACD

37、关于影响切削力的因素,下列说法正确的是(    )
A、工件材料的强度、硬度越高,切削力越小。
B、切削脆性材料时,被切材料的塑性变形及它与前刀面的摩擦都比较小,故其切削力相对较小。
C、后刀面磨损增大时,后刀面上的法向力和摩擦力都增大,故切削力增大。
D、使用以冷却作用为主的切削液(如水溶液)对切削力影响不大,使用润滑作用强的切削液(如切削油)可使切削力减小。
答案:BCD

38、刀具切削性能的优劣取决于(    )
A、刀具材料
B、刀具包装
C、切削部分几何形状
D、刀具的结构
答案:ACD

39、用刀具切除工件材料,刀具和工件之间必须要有一定的相对运动,该相对运动的组成包括(   )
A、主运动
B、进给运动
C、前进运动
D、横向运动
答案:AB

40、关于基准,下列说法正确的是(    )
A、设计基准又可分为工序基准、定位基准、测量基准和装配基准。
B、在设计机器零件时,应尽量选用装配基准作为设计基准。
C、在编制零件的加工工艺规程时,应尽量选用设计基准作为工序基准。
D、在加工及测量工件时,应尽量选用工序基准作为定位基准及测量基准。
答案:BCD

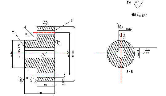
41、试制定图示零件(单件小批生产)的工艺路线。

郑州城市学院成教《机械制造技术基础》高起专原题及答案(青书学堂) 图2 ...

郑州城市学院成教《机械制造技术基础》高起专原题及答案(青书学堂) 图2 ...


答案:

郑州城市学院成教《机械制造技术基础》高起专原题及答案(青书学堂) 图3 ...

郑州城市学院成教《机械制造技术基础》高起专原题及答案(青书学堂) 图3 ...





回复

使用道具 举报

全部回复0 显示全部楼层
暂无回复,精彩从你开始!

快速回帖

您需要登录后才可以回帖 登录 | 立即注册

本版积分规则